74HC00
74HC00
RENESAS
74HC00 ST SOP
In Stock: 6124 pcs
, CMOS Məntiq IC Ailəsinin görkəmli üzvü, dörd NAND GATE-ni bir paketə bir paketə birləşdirir, Silikon-qapı texnologiyasını ls-TTL əməliyyat sürətlərini əhəmiyyətli dərəcədə aşağı enerji istehlakı ilə uyğunlaşdırır.Elektrotatik axıdılması qorunması üçün on LS-TTL yükləri və daxili diode sıxacı, 74HC00 rəqəmsal dövrə dizaynında çox yönlü və etibarlı bir komponent kimi yerləşdirilməsi ilə sürət və səmərəliliyi artırmaq qabiliyyəti ilə artmışdır.İnkişaf etmiş səs-küy toxunulmazlığı və bir neçə sənaye standart ekvivalentləri ilə onun bir neçə sənayenin ekvivalenti ilə uyğunluğu, onu innovativ və möhkəm rəqəmsal sistemlər yaratmaqda bir neçə sənaye standartları ilə uyğunlaşdırması üçün buferli çıxışlarını qiymətləndirə bilərsiniz.
Kataloqu
Bu 74hc00Dörd NAND Geyts daxil olmaqla, LS-TTL ailəsi ilə hizalanması üçün qeyd olunur.
Silikon-qapılı CMOS texnologiyasından istifadə edərək, aşağı enerji istehlakına diqqət yetirərkən, LS-TTL-ə qədər Əməliyyat sürətlərinə nail olur.Bu balans, həm də ixtiraçılıqla rezonans doğuran dizaynları inkişaf etdirmək, həm də sürət və səmərəliliyi istifadə etməyə imkan verir.Buferli qapı çıxışları səs-küy toxunulmazlığını artırır, çətin siqnal mühitində də sabit performansa töhfə verən bir amildir.
On LS-TTL yükləmək üçün imkan qabiliyyəti çoxsaylı siqnal nəticələrinin istədikləri sistemlər üçün uyğundur.
Daxili diodlu sıxaclaşdırma ilə təchiz olunmuş, elektrostatik axıdılması ilə əlaqəli riskləri minimuma endirir.Bu xüsusiyyət uzunmüddətli etibarlılıq axtararkən hikməti incə əks etdirən komponent uzunömürlülüyün uzanmasında rolunu vurğulayır.
Dəyişdirmə və ekvivalentlər:
•
CD4011
CD4011
I-CORE
701
In Stock: 25220 pcs
• MC54HC00AJD
• M74hc00m1
• Sn54ls00
• SN74HCT00DTE4
• 74hct132D
• 74hct00

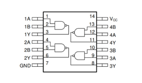
• Sancaqlar 1, 2, 4, 5, 9, 10, 12, 13: Məlumat girişləri
Bu sancaqlar çip içərisindəki NAND qapılarının məntiq əməliyyatlarını istiqamətləndirən giriş siqnallarını almaq üçün hazırlanmışdır.Bu girişlərin təmin edilməsi müdaxilədən azaddır, nəzarət və proqnozlaşdırma üçün əks etdirilən etibarlı dövrə davranışından azaddır.
• Sancaqlar 3, 6, 8, 11: Məlumat çıxışı
Çıxış kimi fəaliyyət göstərən bu sancaqlar NAND qapı hesablamalarının nəticələrini çatdırır.Onlar müxtəlif rəqəmsal məntiq konstruksiyalarında, mürəkkəb məntiq nümunələri birlikdə toxuyurlar.Birdən çox dövrə bir çıxışa qoşulduqda, potensial yükləmə effektləri mürəkkəb münasibətlərdə tələb olunan zərif balansa işarə edir.
• PİN 7: Yer (GND)
Bu pin gərginlik üçün davamlı bir istinad nöqtəsi təmin etmək üçün sistem zəminə qoşulur.Belə sabit bir əlaqə qurma, pozuntuların və aydınlığın təbii təqibi ilə uyğunlaşır, iğtişaşları minimuma endirir.
• Pin 14: Müsbət enerji təchizatı (VCC)
Bu pin vasitəsilə düzgün gərginlik qidalandırmaq cihazın performansını dəstəkləyir.Göstərilən çeşiddə davam edərkən uzunömürlülük və səmərəliliyi gücləndirərkən, güc sancaqlarının yaxınlığında, şirkətin yaxınlığında qəpikləri yerləşdirmək, ömrünün mürəkkəbliyini idarə etmək üçün güzgü strategiyalarını əsaslı şəkildə sabitləşdirə bilər.
74HC00
74HC00
RENESAS
74HC00 ST SOP
In Stock: 6124 pcs
, rəqəmsal sxemlərdə etibarlı performansı ilə sizi cəlb edən güc səmərəliliyinə yönəlmiş dörd müstəqil NAND Geyt-ləri ilə hazırlanmışdır.Onun təsirli səs-küy toxunulmazlığı, ardıcıllığı prioritetləşdirən layihələr üçün cəlbedici olan sabit tətbiqlərə töhfə verir.Döşəmə və bucki formatlarında mövcuddur, müxtəlif dizayn tələblərinə cavab verir və çevik PCB layout seçimləri təklif edir.
74HC00-nin uyğunlaşma qabiliyyəti ona geniş məntiq qapısı konfiqurasiyaları və mürəkkəb sistemlərə uyğun olmağa imkan verir.Kompleks rəqəmsal funksiyaları hazırlamaq üçün faydalı tapmaq üçün möhkəm giriş / çıxış sürücülük qabiliyyətini dəyərləndirə bilərsiniz.
Fərqli şəraitdə fəaliyyət göstərməsi qabiliyyəti 74HC00-də təhsil və prototip inkişafında populyarlaşır.Yüklənmiş dövrə mürəkkəbliyinə uyğunlaşdığı rahatlıq, performansını qurban vermədən yeni yenilikləri araşdırmaq üçün ilham verir.
İstehsalçı Baxışı
Texas Alətləri etibarlı və təməl quran yarımkeçirici məhsullar yaratmağa həsr olunması üçün bir nüfuz qazandı.Davamlılıq və üstün performansa yönəldilməyən diqqətləri ilə Texas alətləri komponentləri, elektronika sənayesində effektiv rolunu nümayiş etdirərək çoxsaylı tətbiqlərin mərkəzində tapırlar.
Fiziki ölçülər
8.65mm x 3.91mm x 1.58mm ölçmək,
74HC00
74HC00
RENESAS
74HC00 ST SOP
In Stock: 6124 pcs
, yığcam mühit üçün uyğun bir dizaynla malikdir.Bu ölçülər, cihazın əlamətdar imkanlarını pozmadan ən məhdud məkandan ən çox yer tutmağa imkan verən müxtəlif dövrə lövhələrinin sxemlərinə inteqrasiyasını asanlaşdırır.
Elektrik xüsusiyyətləri
Təchizat gərginliyi 2V-dən 6V-yə qədər, güc mənbələrini seçməkdə uyğunlaşma və rəqəmsal sxemlərin geniş spektri ilə uyğunluğunu təmin etmək təklif edir.Bu gərginlik diapazonu, 74HC00-ni dinamik mühitlərdə dəyişən tələblərə uyğun olaraq tənzimləməyə imkan verən çox yönlü tətbiqləri dəstəkləyir.
Temperatur və ətraf mühit şəraiti
Effektiv şəkildə -40 ° C və 85 ° C arasında, cihaz müxtəlif iqlim və sənaye şəraitində inkişaf etmək üçün hazırlanmışdır.Temperatur həddindən artıq müqaviməti, ətraf mühitin dəyişkənliyi olduğu istehlakçı elektronikası və sənaye tətbiqləri üçün üstünlük verilən bir seçim halına gətirir.
Performans ölçüləri
23 nanosekunds bir təbliğat gecikməsini təklif edən, yüksək sürətli məntiq funksiyaları üçün effektivlik effektivliyində 74HC00 Excel.Bu sürətli performans, Rəqəmsal Siqnal Nəzarəti və Rabitə Sistemləri kimi tətbiqlər üçün əlverişlidir, burada sürətli məlumat mübadiləsi bir zərurətdir.
Struktur tərkibi
Cihazda, mürəkkəb məntiq dizaynları üçün əhəmiyyətli funksionallıq təmin edən NAND məntiq əməliyyatları üçün 4 Geyts daxildir.Bu konfiqurasiya, məntiqi əməliyyatların sistemləri içərisində sürətlə və etibarlı işlənməsini təmin etmək üçün məntiqi əməliyyatların effektiv şəkildə yerinə yetirilməsinə ehtiyac duyduğu yerlərdə faydalıdır.
Təsnifat
Məntiq qapısı kimi fəaliyyət göstərən 74HC00 rəqəmsal dövrə yaradıcılığında əsas komponent kimi xidmət edir.Bu elementləri kompleks rəqəmsal sistemlərin inşası üçün istifadə edə bilərsiniz və bununla da hesablama gücünü artırır və innovativ yollarda işləmə qabiliyyətlərini inkişaf etdirir.
74HC00
74HC00
RENESAS
74HC00 ST SOP
In Stock: 6124 pcs
, hər biri bir çıxışa aparan iki giriş olan dörd ayrı nand qapıdan birləşdirir.Əməliyyat ətraflı bir həqiqət cədvəlindən asılıdır.Xüsusilə, çıxış yalnız hər iki giriş yüksək olduqda aşağıya düşür.Əks təqdirdə, çıxış, daha mürəkkəb sxemlər hazırlamaqda əsas komponent kimi fəaliyyət göstərən rəqəmsal məntiq dizaynında yüksək bir ilkin element qalır.
Müsbət rəy bu qapılardakı sabitliyə incə təsir göstərir.Hər bir qapı girişlərini emal etdikdə, rəy, ardıcıl performansın artırılması, sabit bir çıxış vəziyyətini gücləndirməyə xidmət edir.Bu tarazlığı giriş dəyərləri ilə qapının reaksiyalarını uyğunlaşdırmaqla əldə edilir.Güvənli bir təbəqənin bir təbəqəsinin aşkarlandığını, etibarlı bir təbəqəni açaraq, etibarlı məntiq dövlətlərini sındırmaq üçün bu cəhətdən vura bilərsiniz.
Giriş-çıxış dinamikasının incəliklərini nand qapıları içərisində tutmaq, tənzimlənmiş dövrə dizaynları üçün potensialını artırır.Ümumi tətbiqlərə flip-flops inşası və bu kimi və ya və ya olmayan məntiq vəzifələrini icra etmək daxildir.Bu çox yönlülük, mürəkkəb hesablama çərçivələrinə birbaşa nəzarət mexanizmlərindən, düz bir kontekst spektrində qəbul etdiklərini vurğulayır.
74HC00-in daha geniş faydası haqqında əks olunan, onun etibarlı performansı istehlakçı elektronikasını sənaye avtomatlaşdırmaya təhvil verən sahələrdə aktuallıq tapır.Bu qapıları müxtəlif məntiqi çərçivələrdə təşkil etmək gücü, innovasiyanı təşviq edən əsaslı yaradıcılıq azadlığı verir.NAND Qapılarının əsas prinsipləri, unikal texnoloji maneələr üçün uyğun həllər ruhlandırır.
74HC00
74HC00
RENESAS
74HC00 ST SOP
In Stock: 6124 pcs
, incə dəqiqliklə hazırlanmış dördlü iki girişli və qapıdır.Bu, praktikliyin və texnoloji incəlikin ahəngdar bir qarışığını təcəssüm etdirir.
Xüsusiyyət
• Geniş bir gərginlik aralığında fəaliyyət göstərir
• Tez yayılma gecikməsini göstərir
• Yüksək sürətli və aşağı güc əməliyyatları üçün uyğundur
Elektrik xüsusiyyətləri
• Gərginlik və cari: Bu komponent, dizayn ehtiyaclarının müxtəlifliyini təmin edən bu komponent gərginlik səviyyəsinin genişliyində fəaliyyət göstərir.
• Temperatur aralığı: müxtəlif temperatur parametrləri arasında etibarlı şəkildə müxtəlif ekoloji şəraitdə uyğunlaşma imkanı verir.
Proqramlar
• Ümumi istifadə: Çox yönlü bir komponent, gündəlik işlərdən tutmuş mürəkkəb tətbiqetmələrə qədər olan ehtiyacları yerinə yetirərək, çoxsaylı rəqəmsal sxemlərdə bir yer tapır.
• Xüsusi tətbiqlər: İstehlakçı elektronikasından sənaye mexanizmlərinə qədər, 74HC00 hər tətbiqdə faydasını əks etdirən 74HC00 ixtisasartır.
74HC00
74HC00
RENESAS
74HC00 ST SOP
In Stock: 6124 pcs
çipi, geniş funksiyaların geniş spektri sayəsində müxtəlif elektron kontekstlərdə tez-tez görünən diqqətəlayiq uyğunlaşma nümayiş etdirir.
Tamponlama və sürücülük
74HC00 adi bir tampon və ya sürücü kimi funksiyanı, dövrələr arasında sorunsuz bir əlaqə qurur.Gərginlik damlalarını minimuma endirmək və siqnal pozulmasını azaltmaqla, bu komponentlər arasında ardıcıl ünsiyyət qurur.Əl-elmlər üzrə, 74HC00-də bir tampon kimi istifadə edən bir tampon, DIY layihələrində tez-tez bir çox lövhə və ya relay modullarını aktivləşdirmək üçün mikroiontrollerin gücünü artıra bilər.
Məntiq əməliyyatları
Bu çip, mürəkkəb sistemlərin əsasını təşkil edən, NAND qapıları kimi məntiq əməliyyatlarına imkan verir.Müxtəlif məntiq sxemlərinə səysiz inteqrasiyası onun istifadəsini vurğulayır.Rəqəmsal dizaynda, NAND Gates istifadə edərək, daha az komponentləri olan mürəkkəb məntiqi dövrələr qurmağa, həm əlçatanlığı, həm də yığcamlığı artırmağa imkan verir.
Quraşdırılmış sistemlərin inteqrasiyası
Daxili sistemlər daxilində, 74HC00 mikroiontroller təşəbbüsləri daxilində məntiq funksiyalarını yerləşdirməklə tapşırıq yerinə yetirilməsini tənzimləyir.
Çox sayda iot cihazları bu çipi şərti çekləri yerinə yetirmək və periferik cihazları idarə etmək, sistemin həssaslığını və asılılığını artırmaq üçün istifadə edir.
Səviyyə dönüşüm
74HC00, müxtəlif dövrə arasında siqnal səviyyəsini tənzimləmək, səviyyəli dönüşümdə təsirli rol oynayır.Bu, müxtəlif gərginlik reytinqi ilə komponentlərin hamar birləşməsini asanlaşdırır.Qarışıq gərginlikli vəziyyətlərdə, məsələn, 5V mikroiontrolleri 3.3V sensoruna bağlamaq kimi, 74HC00, bölüşdürmədən, dəqiq məlumat mübadiləsini təmin etməklə aramsız bir şəkildə aradan qaldırır.
Zamanlama və idarəetmə sxemləri
Çip, həmçinin ardıcıl məntiq tapşırıqlarının, gecikmə xətt sxemləri və nəbz nəsilləri kimi tətbiqlərin artırılması, tətbiq olunan tətbiqlərin artırılması zamanı vaxt və idarəetmə sxemlərində də xüsusiyyətləri var.74HC00 ilə saflaşdıran vaxt dövriyyələri, Diqqətsiz vaxt idarəetmə vasitəsi ilə məlumatların sədaqətini qorumaq, sinxron rabitə sistemləri kimi vəzifələrdə dəqiqliyi artırır.
İkili müqayisə üçün rəqəmsal müqayisə
74HC00, rəqəmsal çərçivə daxilində qərar qəbul etmək üçün ideal ikili müqayisə üçün rəqəmsal müqayisə kimi funksiyası.İkili fiqurlar arasında bərabərliyi və ya dəyişikliyi aşkar edir.İkili müqayisə üçün 74HC00 işləməsi, müxtəlif rəqəmsal protokollarda budaq qərarlarını həyata keçirmək üçün səmərəli bir marşrut təmin edir, fəaliyyətdə sistem fəaliyyətini gücləndirir.
74HC00 Datasheet:
74HC00 təfərrüatları PDF74HC00 təfərrüatları Fr.pdf üçün pdf74HC00 təfərrüatları Kr.pdf üçün pdf74HC00 təfərrüatları üçün pdf.pdfEs.pdf üçün 74HC00 təfərrüatları PDF
1. 74HC00-nin funksionallığı nədir?
74HC00, 2.0V-dən 6.0V-ə qədər bir güc aralığında fəaliyyət göstərən dörd müstəqil 2 girişli və qapı qapılarını özündə cəmləşdirir.Rəqəmsal məntiq sistemlərinə xidmət edən, bu, mürəkkəb rəqəmsal memarlığın onurğasını meydana gətirən məntiqi əməliyyatların formalaşmasına imkan verir.
2. 74ls00-də neçə NAND GATES edir?
74ls00, hər biri iki giriş və tək çıxış ilə hazırlanmış dörd nand qapıdan ibarət bir dəstdən ibarətdir.Bu konfiqurasiya rəqəmsal elektronikada vahidlər inkişaf edərkən ümumi bir seçimdir.
3. 74LS00-dən 74HC00 nə fərqləndirir?
Əsas fərq onların gərginlik uyğunluğudır.74HC00 2V-dən 6V aralığında, 74ls00 5V güc tədarükünə səbəb olsa da.Seçim tez-tez tətbiq ehtiyacları və ekoloji amillərin dəyişməsindən asılıdır.
4. 74hC seriyasını təsvir edə bilərsiniz?
74HC seriyasında yüksək sürətli CMO-ların inteqrasiya olunmuş sxemləri, güc istehlakı ilə TTL uyğun sürətləri təklif edir.Onların 74LS seriyası 'pin planları ilə uyğunluğu, mövcud sxemlərdə asan inteqrasiya və dəyişdirilməsinə imkan verir.
5. 74HC00-nin tətbiqləri nələrdir?
Rəqəmsal sxemlərdə, 74HC00, NAND məntiq qapılarının siqnal inversionu və mürəkkəb məntiq hərəkətlərini icra etmək üçün tələb olunduğu yerdir.Onun uyğunluğu onu təhsil kontekstlərində və peşəkar elektron müəssisələrdə qiymətli bir aktiv halına gətirir.
Bu yazını paylaşın